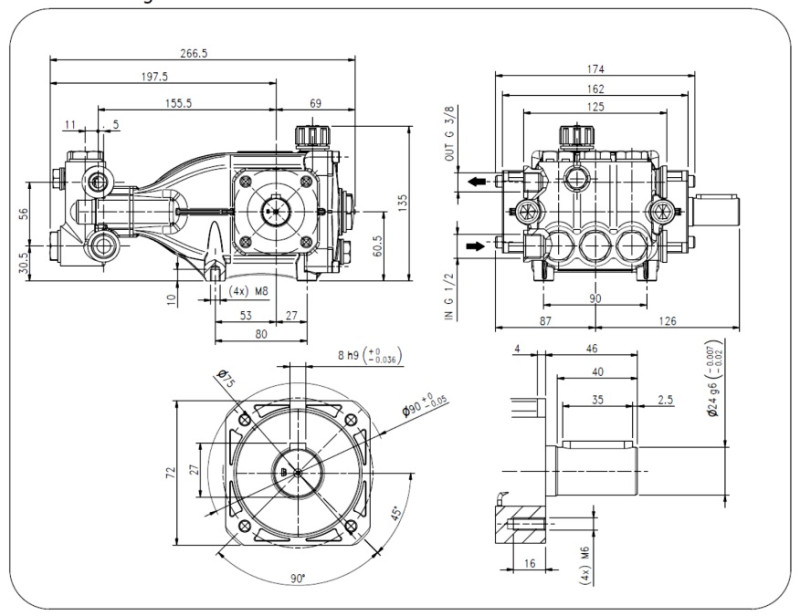
상품목록 바로가기 ▒ 제품사양▶ 사용압력 : 120 ~ 200 bar ▶ 토 출 량 : 4 ~ 25 L/Min▶ 회 전 수 : 1450 ~ 3400 RPM/Min ▶ 필요마력 : 0.9 ~ 6.8 kW, 1.2 ~ 9.2 HP▶ 제 조 사 : HAWK / 이탈리아